关于我们 -
联系我们 -
在线留言
欢迎访问上海政飞电子科技有限公司官方网站!
客户服务热线:
021-52212899
首页
关于我们
产品中心
新闻动态
技术文章
人才招聘
在线留言
联系我们
产品目录
电源负载类产品
双向直流电源
可编程直流电源
直流电子负载
制氢电源
氢储能设备
氢能燃料电池热电联供
氢燃料电池零部件
燃料电池节温器(三通阀)
氢燃料电池去离子器
燃料电池氢气传感器
燃料电池电压巡检仪
德国SMART电池巡检仪CVM
氢气循环泵
热点新闻
掌握电源技术:可编程程控直流电源的设计与应用
2024-09-10
实验室标准设备:可编程交直流电源的重要性
2024-09-03
如何优化可编程直流高压电源的响应时间
2024-08-21
影响可编程直流高压电源性能的因素
2024-07-24
安全使用可编程直流高压电源的指南
2024-07-03
探索可编程程控直流电源的远程监控与诊断功能
2024-06-18
浅谈高压可编程直流电源的安全使用规范
2024-06-12
如何利用可编程直流电源进行精确测量和控制
2024-05-28
用户经验分享:如何充分利用您的可编程交直流电源
2024-05-14
效率优化:如何提高交直流可编程电源的能效比
2024-05-06
联系我们
上海政飞电子科技有限公司
地址:上海市宝山区沪太支路1398号1层
您的位置:
网站首页
>>
技术文章
>> 燃料电池备用电源系统设计与控制研究
燃料电池备用电源系统设计与控制研究
更新日期:
2022-08-24
浏览人气:
992
摘 要
为了弥补燃料电池作为独立备用电源存在的不足,提出一种以燃料电池为主电源、蓄电池为辅助电源的备用电源系统。根据燃料电池备用电源系统特性,提出了系统电压阈值补偿控制策略及蓄电池充放电控制策略,实现备用电源的不间断切换及动态补偿。基于提出的系统结构和控制策略,研发了一台3kW燃料电池备用电源样机系统。实际测试表明,所提的系统结构及控制策略实用、有效,所设计的燃料电池备用电源系统可用作不间断备用电源。
引 言
由于恶劣天气条件、自然灾害或者输电线路故障等造成公用市电电网断电时,政府、医院、电信、银行等一些特定部门的直流设备就需要一种可以连续运行数小时甚至数日的可靠直流备用电源,以防止市电突然断电而造成巨大损失。备用电源是在工作电源中断或不充足时为维持设备安全稳定运行提供电源的供电装置,目前常用的备用电源有柴油发电机和铅酸蓄电池。柴油发电机存在工作噪音大、释放有害气体的缺点,且不能作为不间断备用电源;而铅酸蓄电池存在体积大、备电时间有限的缺点,且具有不确定性,对环境温度要求苛刻。鉴于常用备用电源存在噪音大、污染环境、能量利用率低等不足,加之能源危机和人们环保意识的提高,研发清洁、环保的新型备用电源逐渐受到业界高度关注。
燃料电池是一种高效的电化学能量转换装置,它直接将燃料的化学能转化为电能,不受卡诺循环限制,具有清洁、无污染、噪声低、能量密度高、启动快、连续供电时间长等优点,且输出为直流,这使得燃料电池非常适用于直流负载设备。燃料电池工作时比柴油发电机更加安静环保,在同样功率下燃料电池的能量密度高于铅酸蓄电池。随着燃料电池技术的不断发展,燃料电池将逐渐取代铅酸蓄电池和柴油发电机作为备用电源,应用前景广阔。
燃料电池虽具有诸多优点,但也存在输出特性较软、动态响应较慢、输出电压波动较大、启动时需要辅助电源等不足。为了克服燃料电池存在的不足,本文结合燃料电池的特性,提出一种以燃料电池为主电源、蓄电池为辅助电源的备用电源系统结构,并根据燃料电池备用电源系统特性提出了系统电压阈值补偿控制策略及蓄电池充放电控制策略,设计了该备用电源的系统控制单元。该燃料电池备用电源通过监测市电供电状态、负载功率需求、蓄电池荷电状态(SOC)等,实现燃料电池备用电源自动投入与切除、负载功率动态补偿、辅助蓄电池充放电管理等。最后根据提出的系统结构及控制策略研制了一台3kW的燃料电池备用电源样机,并采用单片机实现其系统控制单元及控制策略。测试结果表明,所提出的系统结构及控制策略满足不间断备用电源的要求,控制策略实用、有效。
1、燃料电池备用电源系统设计
燃料电池存在的不足,使得其作为独立的备用电源需要注意以下问题:工作电源掉电实时监测及备用电源不间断切换;燃料电池启动辅助电源设计及管理;燃料电池备用电源系统状态监测;燃料电池备用电源功率补偿控制。
1.1、系统结构
针对燃料电池作为备用电源时需要注意的问题,拟构建以燃料电池为主电源、蓄电池为辅助电源的燃料电池备用电源系统,实现工作电源掉电时为负载设备提供稳定、可靠、不间断的备用电源。根据燃料电池的特性,提出的燃料电池备用电源系统主要由燃料电池发电系统、DC/DC变换器、蓄电池充电管理单元、系统控制单元、蓄电池及弱电供电单元等组成,其结构框图如图1虚线框内所示。
图1 系统结构框图
a.燃料电池发电系统主要包含氢气供应系统、空气供应系统、冷却系统、排气系统、燃料电池电堆、燃料电池发电控制器等。燃料电池发电控制器主要实现燃料电池发电控制及电堆压力、温度、电压、电流等参数采集,并通过CAN通信总线与系统控制单元进行通信,接收系统控制单元下发的控制命令,上传采集的压力、温度、电压、电流等参数给系统控制单元,为协调整个系统的控制提供数据依据。由于燃料电池输出的直流电压波动较大,难以直接与负载连接,因此在燃料电池输出端连接一个DC/DC变换器,将输出电压变换到负载需求电压等级后并入直流母线,解决燃料电池输出电压波动较大、不能直接与负载连接的问题。
b.蓄电池充电管理单元主要实现对备用电源系统中的蓄电池进行充放电管理,根据工作电源是否断电、燃料电池输出功率、负载需求功率及蓄电池的SOC等来控制蓄电池充放电。系统中的蓄电池一方面作为备用电源在切换过程中为负载提供短暂供电支撑,实现不间断供电;另一方面为燃料电池启动提供辅助启动电源,解决燃料电池在启动时需要外部提供辅助供电的问题。除此之外蓄电池还在燃料电池供电时为负载功率突变提供功率补偿。
c.系统控制单元是整个燃料电池备用电源的控制核心,主要用于控制备用电源系统中各单元的自动工作、状态参数采集、供电电源切换,并通过人机接口接收远端监控系统下发的控制命令。
d.弱电供电单元主要为备用电源系统提供控制电源,其从直流母线或蓄电池取电,然后变换成备用电源系统需要的各种电压等级的电源。
1.2、工作原理
燃料电池备用电源系统在启动后实时监测工作电源的供电状态及备用电源系统本身的状态,并通过人机接口与远程监控中心进行状态参数传输。系统控制单元根据工作电源的供电状态、蓄电池的SOC、备用系统状态等控制备用电源系统中燃料电池发电系统的启动与停止、蓄电池的充放电、备用电源的投入与切除。
在备用电源系统安装完成后,闭合开关K1为负载设备供电,同时燃料电池备用电源控制系统自动启动,再闭合开关K2接入蓄电池。备用电源系统启动后首先对系统进行初始化设置,然后进行工作电源供电状态监测。当系统监测到工作电源供电正常时,备用电源进入待机工作模式:燃料电池发电系统停止发电,断开DK切除蓄电池供电,同时根据蓄电池的SOC对蓄电池进行充电管理;当系统监测到工作电源供电中断时,系统控制器立即闭合开关DK,切换到蓄电池供电工作模式:蓄电池一方面为负载供电,另一方面为系统控制单元启动燃料电池发电系统发电提供启动电源。当备用电源工作在蓄电池供电模式时,系统控制器根据工作电源是否恢复供电、燃料电池输出是否稳定、蓄电池SOC是否达到下限进行状态切换。在燃料电池输出不稳定、工作电源恢复供电时,自动切除备用电源供电,停止燃料电池发电系统发电,同时备用电源进入待机工作模式,负载转由工作电源供电;当系统监测到燃料电池输出稳定、工作电源未恢复供电时,系统转入燃料电池供电模式:系统控制单元启动DC/DC变换器,同时切换到燃料电池供电工作模式,负载设备转为由燃料电池供电;当备用电源工作在燃料电池供电模式时,系统控制单元监测到工作电源供电恢复后,备用电源转入待机工作模式,同时停止燃料电池发电,负载转由工作电源供电。备用电源各工作模式切换示意图如图2所示。
图2 工作模式切换示意图
1.3、系统控制策略
根据燃料电池备用电源系统结构及工作模式切换图,其系统控制策略主要有蓄电池充电控制策略、蓄电池放电控制策略及电压阈值补偿控制策略。
1.3.1、蓄电池充电控制策略
备用电源工作在待机模式时,系统控制器在监测系统状态的同时启动蓄电池充电。蓄电池充电管理单元通过检测蓄电池当前的SOC,并根据设置的SOC上限值SOCh及下限值SOCl控制对蓄电池的充放电。在SOC达到SOCh时,停止对蓄电池充电;当SOC低于SOCh时,开始对蓄电池进行充电。其充电控制策略为:
备用电源工作在燃料电池供电模式时,若燃料电池输出功率PFC大于负载需求功率PLoad,系统控制单元将启动蓄电池充电管理单元对蓄电池进行充电,其充电控制策略与备用电源工作在待机模式时的充电控制策略相同。
1.3.2、蓄电池放电控制策略
备用电源工作在蓄电池供电模式时,蓄电池处于放电状态。若蓄电池充电管理单元监测到蓄电池的SOC达到SOCl时,系统控制单元上传报警信息,提醒蓄电池即将停止供电,随后切除蓄电池对负载供电,备用电源系统停机。蓄电池放电控制策略为:
1.3.3、电压阈值补偿控制策略
备用电源处于燃料电池供电模式时,系统控制单元根据燃料电池输出功率PFC、负载需求功率PLoad、蓄电池SOC等补偿负载功率突变,其补偿思想为:
如何检测备用电源中燃料电池输出功率小于负载需求功率是功率补偿控制的关键。由于燃料电池备用电源直流输出额定电压为Uo,其允许连接的直流负载额定电压即为Uo,当监测到输出直流母线电压低于设计的额定电压Uo时,说明负载需求功率大于燃料电池输出功率,导致直流母线电压下降。因此可以设置一个直流母线电压阈值下限UTL及上限UTH。当直流输出电压Uo小于阈值UTL时,说明负载需求功率超过燃料电池输出功率,此时需要切入蓄电池进行功率补偿,同时控制燃料电池发电系统增大功率输出;当直流母线电压Uo大于等于阈值UTH时,说明燃料电池输出功率已达到负载需求功率,此时可切除蓄电池的功率补偿,同时根据蓄电池的SOC对蓄电池进行充电。电压阈值补偿控制策略为:
2、系统控制单元硬件设计
本文主要研究备用电源的系统结构及系统控制,对于燃料电池发电系统、蓄电池充电管理单元不进行详细研究。系统控制单元是整个备用电源的控制核心,主要负责工作电源供电状态检测、燃料电池发电系统启动与停止及参数检测、蓄电池充电启动与停止、备用电源工作模式切换、与远程监控中心通信等,其结构框图如图3所示。
图3 系统控制单元结构框图
系统控制单元主控制器选用增强型51单片机C8051F040为主控制器①,C8051F040内部集成了12位多通道A/D转换器、电压基准及CAN控制器等功能部件。集成A/D转换器可用于备用电源系统中电压、电流等模拟信号的采集,而不用外接A/D转换器;集成的CAN控制器*支持CAN2.0A和CAN2.0B,可用于系统控制单元与远端监控中心及燃料电池发电系统的通信。
2.1、工作电源断电检测
工作电源中断与恢复的实时检测将影响到备用电源的不间断切换时间,可以选择图1中的点a或b进行工作电源断电检测。点a处为交流,需采用交流检测技术;点b处为直流,可采用分压比较检测技术。
对于直流供电一般是市电经AC/DC变换器转换成直流后给负载供电,由于AC/DC变换器输出端有一定容量的电容,所以通过点b检测断电信息有一定的延时,不能准确检测到市电断电时刻,导致系统控制单元不能在断电瞬间投入备用电源而使负载存在断电的危险。经过实际试验测试,通过点b进行断电检测,其延迟时间约为50ms,不能满足备用电源不间断切换的要求。由于点a能直接反映出市电断电瞬间的信息而不存在延迟,故选择在点a进行检测,在交流断电瞬间即可检测到断电信息,其检测电路原理图如图4所示。
图4 工作电源断电检测原理图
交流220V首先经过整流二极管VD1—VD4整流成高压脉动直流,然后经光耦隔离产生断电信号。此处光耦起到电气隔离的作用以避免对主控制器产生干扰及进行信号电平匹配。当交流有电时光耦导通,检测信号ACST为高电平;当交流断电时光耦截止,检测信号ACST为低电平。经实际测试,此检测电路的检测时间约为10ms。
2.2、电压、电流检测
燃料电池备用电源系统需要监测系统各单元的电压、电流,为主控制器的控制策略提供数据参考,同时需将采集的参数传输到远端监控中心,方便控制中心监测备用电源系统工作状态。系统控制单元电压、电流检测主要涉及燃料电池输出端、蓄电池、直流母线等。
电压采集采用差分输入,采样信号由两级运放调理后经线性光耦IL300隔离处理,以减小对主控制器的干扰。隔离后的电压信号经两级运放放大调理后得到采样信号Us,Us随后接入主控制器的模拟采样通道进行采集,其采样电路如图5所示。
图5 电压采样电路
电流检测使用电流霍尔传感器LA25-NP将采样电流值转换为电压信号,再经采样调理电路处理后接入主控制器的模拟采样通道进行采集。电流采样的调理电路与电压采样调理电路类似。
2.3、CAN通信接口
CAN总线是工业控制局域网的标准总线,属于现场总线的范畴,它是一种有效支持分布式控制或实时控制的串行通信总线,具有通信实时性强、速率高、传输距离远等优点。因此系统控制单元采用CAN通信接口与燃料电池发电系统及远端监控中心进行参数、命令传输,能保证通信的实时、稳定。
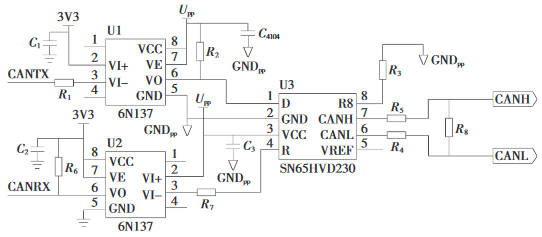
由于C8051F040内部集成的CAN控制器是一个协议控制器,它并没有提供物理层的收发功能,要实现与CAN总线的通信接口,需要增加外部CAN收发控制器,实现CAN通信数据帧的收发,其接口原理图如图6所示。
图6 CAN通信接口电路
CAN总线信号CANTX和CANRX经过高速光耦6N137进行电气隔离,再经CAN总线收发器接口芯片SN65HVD230驱动后接到CAN总线上。光耦6N137实现CAN节点与CAN总线间的电气隔离,提高节点可靠性,并保护CAN总线上的其他节点。
3、系统控制单元工作流程
燃料电池备用电源系统控制单元是系统的控制核心,主要负责系统参数的采集、蓄电池充放电控制、燃料电池发电控制、供电电源不间断切换及负载功率补偿等。备用电源系统具有3种工作模式:待机模式、蓄电池供电模式、燃料电池供电模式,不同模式下系统控制单元的任务不同,其控制单元工作流程如图7所示。
图7 工作流程图
燃料电池备用电源系统启动后,根据工作电源的供电情况进入待机模式或蓄电池供电模式。若备用电源在工作电源供电正常时启动,则启动后备用电源进入待机模式,此时系统控制单元只负责监测备用电源系统的待机状态参数、控制蓄电池充电及备用电源异常报警。当工作电源突然断电时,控制单元立即检测到断电信号,先停止对蓄电池的充电,然后闭合开关DK,由蓄电池为负载提供电源,切换到蓄电池供电模式,同时启动燃料电池发电。在燃料电池输出稳定之前,备用电源一直工作在蓄电池供电模式。当系统控制单元检测到燃料电池输出稳定后,控制单元启动DC/DC变换器,转为燃料电池给负载供电。如果此时燃料电池输出功率PFC大于负载需求功率PLoad即Uo>UTH时,则控制单元断开开关DK,切除蓄电池供电,并根据蓄电池当前SOC决定是否启动对蓄电池充电;如果负载突然增加或者燃料电池输出功率PFC小于负载需求功率PLoad即Uo<UTL时,则控制单元闭合开关DK切入蓄电池,由蓄电池、燃料电池共同为负载提供功率,实现燃料电池输出功率不足时,由蓄电池进行动态功率补偿,保障负载设备的稳定、可靠运行。
4、测试与分析
根据所提燃料电池备用电源系统结构及系统控制策略,研制了一台3kW燃料电池备用电源样机。备用电源选用的燃料电池输出电压范围为30~40V,净输出功率为3.5kW,蓄电池容量为60A·h。设计的备用电源输出电压为直流48V,功率为3kW。
4.1、工作电源断电检测测试
工作电源中断与恢复的实时检测将影响到备用电源的不间断切换时间。在燃料电池备用电源系统安装完成后,将示波器探头连接到断电检测信号输出端ACST、将差分探头连接到交流供电输入端,依次闭合图1中开关K1、K2,使备用电源系统正常启动并工作于待机模式。在备用电源系统工作正常后,突然切断市电供电,示波器捕捉到的检测信号ACST及交流供电波形如图8所示。从图中可以看到交流供电断电检测响应时间大约为7ms,满足不间断切换中断电检测时间要求,检测信号有下降尖峰,这是由正弦交流整流脉动直流产生的,但尖峰的低值并未达到低电平的范围内,故不影响断电信号的判断。
图8 工作电源断电检测波形
4.2、工作模式切换测试
利用10kW电子负载代替实际直流负载设备,按照图1所示的系统结构搭建试验测试平台,并将电子负载功率调节到3kW,对研制的燃料电池备用电源系统进行测试。在市电正常的情况下突然断开市电、在燃料电池供电模式下突然恢复市电供电,用示波器观测直流母线电压曲线变化情况见图9。
图9 模式切换时直流母线电压曲线图
图9(a)是在燃料电池处于待机模式时,市电断电瞬间系统控制自动切换到蓄电池供电模式的电压曲线,图中蓄电池供电电压只有44.4V,这是由多次试验后蓄电池容量降低导致的,示波器捕捉的切换时间大约为20ms。从图中可以看到在负载功率为3kW的整个切换过程中,负载供电没有中断,只是发生了一定电压跌落,导致电压跌落的原因是蓄电池在多次试验后容量不足。图9(b)是在燃料电池输出稳定后切换到燃料电池供电时的电压波形图。市电恢复供电时切换波形图如图9(c)所示。在燃料电池供电正常的情况下突然恢复交流供电,当市电突然恢复正常供电后,系统控制单元立即检测到交流供电恢复信号ACST为高,并按照设计的控制策略先发送停止燃料电池发电命令(图中①处波形),同时切换到蓄电池供电模式。在燃料电池发电系统确认燃料电池停止发电后,系统控制单元立即切换到交流供电(图中②处波形),并切除蓄电池供电进入待机模式。示波器捕捉的由蓄电池模式恢复交流供电的切换时间大约为40ms。
4.3、蓄电池充放电及功率补偿测试
在市电供电正常、断电及恢复供电期间,对蓄电池充放电电流进行捕捉观察,如图10(a)所示。上面是工作电源交流电压波形曲线,下面是蓄电池充放电电流波形曲线。从图中可以看出:在市电供电正常时,蓄电池处于充电状态;在市电突然断电瞬间,蓄电池立即切入直流母线,对负载供电。
在燃料电池供电模式下,对蓄电池的充放电电流进行捕捉观察,如图10(b)所示,上面是燃料电池供电模式下直流母线电压波形曲线,下面是蓄电池充放电电流波形曲线。从图中可见:在燃料电池供电模式下,燃料电池输出功率PFC大于负载需求功率PLoad,蓄电池处于充电状态;手动调整负载功率,负载功率发生波动后,导致直流母线电压跌落,系统控制单元立即切入蓄电池功率补偿,蓄电池进行放电;在负载功率降低后,蓄电池再次开始充电。
图10 蓄电池充放电波形
经过试验测试,研制的燃料电池备用电源系统各工作模式切换正常、有效,所提出的系统结构、控制策略及系统控制单元工作流程能够满足
不间断备用电源的要求。
5、结论
针对目前备用电源系统存在的不足及燃料电池良好的应用前景,本文提出基于燃料电池的备用电源系统结构及其控制策略,替代传统的蓄电池或柴油发电机备用电源,可延长备电时间、缩短切换时间、降低环境污染。随着燃料电池技术的不断发展,燃料电池制造成本的下降,配套设施的逐渐完善,燃料电池作为一种高效节能、环境友好的发电装置,必将在备用电源中得到广泛的应用。
来源 | 燃料电池备用电源系统设计与控制研究
本网站基于分享的目的转载,转载文章的版权归原作者所有,如有涉及侵权请及时告知,我们将予以核实并删除。
分享到:
上一篇:
制氢、储运、应用……哪个才是氢能产业的突破口?
下一篇:
燃料电池产业链还没有闭环,锂电则是生态链没有闭环
18906243068
联系我们
contact us
朱颖
在线交流
咨询电话
18906243068
扫一扫,
关注
我们
返回顶部
联
系
我
们